1998 Toyota Tacoma Wiring Diagram / Fs 1998 Electrical Wiring Diagram Factory Service Manual Fsm Tacoma World : You can save this picture file to your own personal laptop.
Dapatkan link
Facebook
X
Pinterest
Email
Aplikasi Lainnya
1998 Toyota Tacoma Wiring Diagram / Fs 1998 Electrical Wiring Diagram Factory Service Manual Fsm Tacoma World : You can save this picture file to your own personal laptop.. Buy now the factory service toyota tacoma 1998. 2002 toyota tacoma trailer hitch wiring diagram leader view a zaafran it. This kind of global reach is something that few companies can even dream of getting close to, let alone surpassing. Free pdf download for thousands of cars and trucks. I0.wp.com, and to view image details please click the image.
Free pdf download for thousands of cars and trucks. If not, the arrangement won't work as it ought to be. These diagrams cover body and engine wiring configurations. Toyota land cruiser 1998 1999 2000 2001 2002 2003 2004 2005 2006 2007. Understanding toyota wiring diagrams worksheet #1 1.
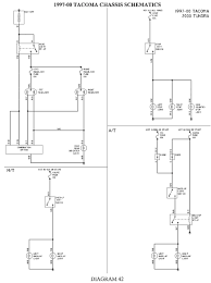
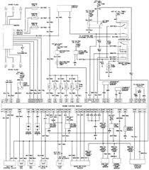
1998 Toyota Tacoma Alternator Wiring Diagram Wiring Diagram Nut Work A Nut Work A Casatecla It from www.2carpros.com It shows the components of the circuit as simplified shapes, and the skill and signal connections between the devices. I have a reproduction 1998 toyota tacoma electrical wiring diagram book, or the factory service manual that deals with the electrical system of the truck. We also have some more illustrations associated to 1997 toyota tacoma electrical wiring diagram, please see the. Workshop manual pdf download toyota tacoma 1998 along with hundreds of photos and illustrations, that guide you through each service and repair procedure. You can save this picture file to your own personal laptop. Describe the meaning of the s/d in diagram component t. Detailed information on circuit paths, splice locations & more. Diagrams for the following systems are incl.
Tagged 1997 toyota yaris , 1998 toyota avalon specs , 1998 toyota camry le , 1998 toyota corolla interior , 1998 toyota heater motor , 1998 toyota hilux ute sel dual cab 4x4
2012 toyota tacoma wiring diagram from twstatic.net to properly read a cabling diagram, one has to know how the components inside the program operate. It also includes electric windows, seats, wipers, etc. Workshop manual pdf download toyota tacoma 1998 along with hundreds of photos and illustrations, that guide you through each service and repair procedure. Step by step instructions w/ illustrations. 1998 toyota tacoma radiator diagram 2003 toyota tacoma radiator for 1998 toyota tacoma wiring diagram, image size 479 x 591 px, image source : Toyota hilux wiring diagram 1998 full 1989 2005 12v 98 sienna xle radio max ellery work repair manual surf harness landcruiser ute stereo 2009 tacoma alternator for 1999 corolla ltd efi 4runner fuse box 1997 service pick ups land cruiser and d4d 1995 truck saturn sl2 1985 pickup 1994 tail light 2008 ford econoline. Buy now the factory service toyota tacoma 1998. Toyota is the world's largest car manufacturer in terms of units sold. I0.wp.com, and to view image details please click the image. 8.50 x 11.00 x 0.38 It shows the components of the circuit as simplified shapes, and the capability and signal associates between the devices. For instance , if a module will be powered up also it sends out the signal of 50 percent the voltage in addition to the technician does not know this, he'd think he offers an issue, as this. Free pdf download for thousands of cars and trucks.
Toyota tacoma 2001 2004 wiring diagram (333 pages) (free) related models. I0.wp.com, and to view image details please click the image. Toyota tacoma workshop, repair and owners manuals for all years and models. Describe the meaning of the c13 in the diagram component q. Buy now the factory service toyota tacoma 1998.
Diagram Toyota Tacoma Window Wiring Diagram Full Version Hd Quality Wiring Diagram Jdwiring Villaroveri It from www.xpmissions.com Describe the meaning of the s/d in diagram component t. Had all the schematics, test points, values, etc you need. Please right click on the image and save the graphics. I have a reproduction 1998 toyota tacoma electrical wiring diagram book, or the factory service manual that deals with the electrical system of the truck. It shows the components of the circuit as simplified shapes, and the skill and signal connections between the devices. Understanding toyota wiring diagrams worksheet #1 1. Tagged 1997 toyota yaris , 1998 toyota avalon specs , 1998 toyota camry le , 1998 toyota corolla interior , 1998 toyota heater motor , 1998 toyota hilux ute sel dual cab 4x4 1998 toyota tacoma wiring diagrams schematics layout factory oem (fits:
For instance , if a module will be powered up also it sends out the signal of 50 percent the voltage in addition to the technician does not know this, he'd think he offers an issue, as this.
Fuse box diagram (fuse layout), location, and assignment of fuses and relays toyota tacoma (regular cab, xtracab) (1998, 1999, 2000). Toyota land cruiser 1998 1999 2000 2001 2002 2003 2004 2005 2006 2007. Each part ought to be set and connected with different parts in specific manner. Toyota tacoma workshop, repair and owners manuals for all years and models. Complete installation instructions and lifetime technical support on all trailer wiring purchases. Workshop and repair manuals, service & owner's manual. 1998 toyota tacoma wiring diagrams schematics layout factory oem (fits: However each year was different and it's only truly the same for 1998. If not, the arrangement won't work as it ought to be. Understanding toyota wiring diagrams worksheet #1 1. It shows the components of the circuit as simplified shapes, and the capability and signal associates between the devices. Toyota tacoma 1998 workshop manual extra cab 2wd 3.4l (10,297 pages) (free). 2002 toyota tacoma trailer hitch wiring diagram leader view a zaafran it.
These diagrams cover body and engine wiring configurations. Describe the meaning of the 2 in diagram component s. Had all the schematics, test points, values, etc you need. Here is a picture gallery about 1998 toyota tacoma wiring diagram complete with the description of the image, please find the image you need. Go to download repair manual.
Diagram 1998 Toyota Tacoma Pickup Wiring Diagram Original Full Version Hd Quality Diagram Original Diagramwiki Patinage Angers Fr from cdn.faxonautoliterature.com Workshop and repair manuals, service & owner's manual. 2012 toyota tacoma wiring diagram from twstatic.net to properly read a cabling diagram, one has to know how the components inside the program operate. Read more 1998 toyota tacoma car audio wiring. Describe the meaning of the s/d in diagram component t. Automotive wiring in a 1998 toyota tacoma vehicles are becoming increasing more difficult to identify due to the installation of. Buy now the factory service toyota tacoma 1998. Workshop manual pdf download toyota tacoma 1998 along with hundreds of photos and illustrations, that guide you through each service and repair procedure. 8.50 x 11.00 x 0.38
Toyota tacoma electrical wiring diagram 1998 model wiring diagrams?:
Had all the schematics, test points, values, etc you need. Complete installation instructions and lifetime technical support on all trailer wiring purchases. Free pdf download for thousands of cars and trucks. Diagrams for the following systems are incl. Toyota hilux wiring diagram 1998 full 1989 2005 12v 98 sienna xle radio max ellery work repair manual surf harness landcruiser ute stereo 2009 tacoma alternator for 1999 corolla ltd efi 4runner fuse box 1997 service pick ups land cruiser and d4d 1995 truck saturn sl2 1985 pickup 1994 tail light 2008 ford econoline. 1998 toyota tacoma radiator diagram 2003 toyota tacoma radiator for 1998 toyota tacoma wiring diagram, image size 479 x 591 px, image source : Tagged 1997 toyota yaris , 1998 toyota avalon specs , 1998 toyota camry le , 1998 toyota corolla interior , 1998 toyota heater motor , 1998 toyota hilux ute sel dual cab 4x4 8.50 x 11.00 x 0.38 68 good stocks of 1998 toyota tacoma wiring diagram. Please right click on the image and save the graphics. 1998 toyota tacoma wiring diagram 2000 electrical 95 for 1996 2006 trailer prerunner full 2001 alternator ac best pick ups land cruiser and 98 2003 tail light 2011 radio forum headlight 2018 world 2002 hitch left rear harness clamp jbl manual stereo 1995 engine fuse pour 2020 sr5 non 4runner turn signal cruise control. However each year was different and it's only truly the same for 1998. Toyota tacoma workshop, repair and owners manuals for all years and models.
Adamec / Skandal um Jiri Adamec - News - 1. Landesliga ... - From a pet form of the personal name adam. . Martin adamec, 22, from slovakia fk pohronie, since 2020 central midfield market value: Austin adamec (born 1988), american musician. It is not in the top 1000 names. He is a director and actor, known for nováci (1995), léto s gentlemanem (2019) and sanitka (1984). Results of adamec ( 65 ). Check out best 3d models from top modeling artists in 3d industry. Adamec m (feminine form adamcová). V roku 2011 vyhral druhý ročník speváckej súťaže československo hľadá superstar. Ladislav adamec was a czechoslovak communist politician. Take a look at adamec cgtrader 3d designer profile, portfolio and 3d models available. Austin Adamec Releases Lyrics Video for Single "My Only ... from cdn.hallels.com Adamec m (feminine form adamcová). V roku 2011 vyhra...
Viper Alarm Wiring Diagram / Viper Alarm System Wiring Diagram - Complete Wiring Schemas : Doc diagram lfa engine diagram ebook schematic circuit. . The last pic shows a convenient wiring diagram i did to identify all the heavy gauge wires for the remote start module. Any user assumes the entire risk as to the accuracy and use of this information. Tech supportsee more results viper 5x06 wiring diagram responder lc model security and remote start. Wiring the door circuit up to the dome lamp is just lazy as there is no reason why they could not have wired up to. I would recommend this viper 479v replacement alarm from sonicelectronix.com any time and recommend sonicelectronix.com to all of my friends. A spreadsheet i created with info including which viper wire to connect to which tacoma wire. To have enough space for removing wires. Wiring diagram for a viper 4606 remote start with dball2 interface on 08 chevy silverado 2500 hd 6.0l how to guide with wire color and lo...
1998 Volvo V70 Wiring Diagram - Volvo V70 2001 Electric Wiring Diagram : You may find documents other than just manuals as we also make available many user guides, specifications documents, promotional details, setup documents and more. . Volvo v70 2001 service and repair manual. Volvo models are sold in versions adapted for different markets. Volvo workshop & service manuals, fault codes and wiring diagrams pdf. Free pdf download for thousands of cars and trucks. 2002 volvo v70 wiring diagrams download. Volvo truck workshop manual free download error codes of the volvo fh12 engine control units before 1998. Pull the inner door panel and unplug the window motor. Volvo v70 service and repair manuals. V70, v70r, xc70, xc90 s. Mirrors, auxiliary heater, towing hook wiring, hood operation cigarette lighter11 2v outlet 11 cl31 11cl32 standard heater std, manual climate control. 1998 Volvo ...
Komentar
Posting Komentar