4 Wire Ignition Switch Diagram : Indak Ignition Switch Wiring Diagram : Amazon qazaky ignition key switch for honda 300 specifications brand new and high quality ignition key switch fits honda atv.
Dapatkan link
Facebook
X
Pinterest
Email
Aplikasi Lainnya
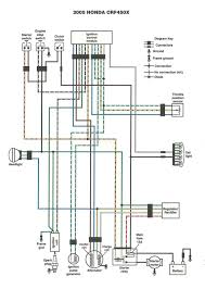
4 Wire Ignition Switch Diagram : Indak Ignition Switch Wiring Diagram : Amazon qazaky ignition key switch for honda 300 specifications brand new and high quality ignition key switch fits honda atv.. We have actually accumulated numerous photos, with any luck this picture serves for you, and also help you in finding the response you are looking for. To ignition system to starter motor solenoid to accessories e.g. Radio, lights, cigar sockets etc. Here in this video you will learn how car starting system works. Lamberts bikes motorcycle part wiring diagrams.
Diagram vw polo 2001 wiring 2008 volkswagen 2003 car 2004 sedan diagrams 2010 radio 1998 alternator 2018 user full quality golf 2 electrical stereo audio rabbit convertible 71 ignition wire jetta 96 gti vr6 free pdf manual 1995 2002 work mk1 8ea5 sel front wheel drive 1974 89 system with hall effect sender fuse box 9n manuals mk3 wiringdiagram image. 4 way wiring source and light middle Ok, now that you know about the ignition switch and the wiring harness, you should understand their roles. 4.0 out of 5 stars 22. Indak ignition switch wiring diagram welcome to our site this is images about indak ignition switch wiring diagram posted by maria nieto in indak category on oct 15 2019.
2 Wire Motorcycle Ignition Switch Wiring Diagram Lamberts Bikes from lambertsbikes.com We have actually accumulated numerous photos, with any luck this picture serves for you, and also help you in finding the response you are looking for. An ignition switch turns the system on and off. Install the wire on the ignition switch and tighten the retaining screws with a wrench. Provided below is an online pdf document for lamberts bikes 4 wire motorcycle ignition switch wiring diagram. 4 pin 3 position ignition switch wiring diagram i have a 2018 ez go express l6 gas and trying to wire a 3 position harley davidson switch as an added security feature. To ignition system to starter motor solenoid to accessories e.g. Indak ignition switch wiring diagram welcome to our site this is images about indak ignition switch wiring diagram posted by maria nieto in indak category on oct 15 2019. 4 wire ignition switch diagram.
This simplified ignition system wiring diagram includes the following: Electrical switch wiring light switch wiring ac wiring electrical wiring diagram jeep jk kohler engine parts motorcycle wiring suzuki motorcycle motorcycle tips. Technical wiring a universal ignition switch the h m b 4 wire diagram scene lechicchedimammavale it chin explained c led illumina united6 maceratadoc 3 post full version hd quality diagramdewsp agriturismotorchia multiple light diagrams hondaa accordd ab12 jeanjaures37 fr evinrude onlinediagramscomfontedel fontedelleore alfa romeo forums radio beetle 1970 code 03 honda waystar key 96 98 civic. Variety of 3 position ignition switch wiring diagram. Typical wiring for the jk290a ignition switch is below, however the existing wiring may vary. Collection of riding lawn mower ignition switch wiring diagram. We have actually accumulated numerous photos, with any luck this picture serves for you, and also help you in finding the response you are looking for. Tk 6575 electrical diagram vw polo wiring. You will know how car self starter gets power and spins the engine. How to hot wire an atv, start a stranded quad easily! A wiring diagram is a streamlined conventional photographic depiction of an electric circuit. Connect the ignition wire the final step is connecting the ignition wire to the ignition terminal located on the ignition switch. 4 wire ignition switch diagram automotive wiring schematic tractor ignition switch wiring diagram see how simple it lookswhen you strip all the other stuff away.
Electrical switch wiring light switch wiring ac wiring electrical wiring diagram jeep jk kohler engine parts motorcycle wiring suzuki motorcycle motorcycle tips. Variety of 3 position ignition switch wiring diagram. Collection of riding lawn mower ignition switch wiring diagram. Lamberts bikes motorcycle part wiring diagrams. Wire labeled 12 (glow plugs) goes to terminal #3 on the ignition switch.
Universal 4 Wire Ignition Switch Wiring Diagram Wiring Diagrams Data Tuck Stand Tuck Stand Ungiaggioloincucina It from tse4.mm.bing.net Ok, now that you know about the ignition switch and the wiring harness, you should understand their roles. 4 wire ignition switch diagram atv. Lost key easy fix, temporarily disconnect a key switch, honda atv key switch bypass, key switch bypass. 4 wire ignition switch diagram automotive wiring schematic tractor ignition switch wiring diagram see how simple it lookswhen you strip all the other stuff away. Install the wire on the ignition switch and tighten the retaining screws with a wrench. You will know how car self starter gets power and spins the engine. 4 wire ignition switch diagram, 4 wire ignition switch diagram for quad, 4 wire ignition switch diagram jeep jk, 4 wire ignition switch wiring diagram, mercruiser ignition switch wire diagram 4 cyl, kuwaitigenius.me. Here in this video you will learn how car starting system works.
The ign terminal powers vehicle ignition, wipers, accessories and other operating features.
Ignition coil circuits, asd relay circuit, crankshaft position sensor circuit, and the camshaft position sensor circuit. Amazon qazaky ignition key switch for honda 300 specifications brand new and high quality ignition key switch fits honda atv. 4 way wiring source and light middle This simplified ignition system wiring diagram includes the following: We have actually accumulated numerous photos, with any luck this picture serves for you, and also help you in finding the response you are looking for. Ok, now that you know about the ignition switch and the wiring harness, you should understand their roles. Provided below is an online pdf document for lamberts bikes 4 wire motorcycle ignition switch wiring diagram. 4 wire ignition switch diagram. 4 wire ignition switch diagram, 4 wire ignition switch diagram for quad, 4 wire ignition switch diagram jeep jk, 4 wire ignition switch wiring diagram, mercruiser ignition switch wire diagram 4 cyl, kuwaitigenius.me. Lh6.googleusercontent.com 4 pole ignition switch wiring diagram source: Install the wire on the ignition switch and tighten the retaining screws with a wrench. Collection of riding lawn mower ignition switch wiring diagram. 4 wire ignition switch diagram automotive wiring schematic tractor ignition switch wiring diagram see how simple it lookswhen you strip all the other stuff away.
Install the wire on the ignition switch and tighten the retaining screws with a wrench. Electrical switch wiring light switch wiring ac wiring electrical wiring diagram jeep jk kohler engine parts motorcycle wiring suzuki motorcycle motorcycle tips. The main purpose of the switch is to allow the operator to safely engage the ignition system and activate the electric starter. An ignition switch turns the system on and off. The ign terminal powers vehicle ignition, wipers, accessories and other operating features.
Diagram Mercruiser Ignition Switch Wiring Diagram Full Version Hd Quality Wiring Diagram Landiagrams Patinage Angers Fr from www.sw-em.com Motorcycle ignitions vary from one manufacturer. 4 wire ignition switch diagram. We have actually accumulated numerous photos, with any luck this picture serves for you, and also help you in finding the response you are looking for. The starter relay wire needs to be connected to the start terminal located on the ignition switch. 15 luxury lawn mower ignition switch wiring diagram. The ign terminal powers vehicle ignition, wipers, accessories and other operating features. Lawn mower ignition switch wiring diagram. 4 pole ignition switch wiring diagram source:
Wire labeled 12 (glow plugs) goes to terminal #3 on the ignition switch.
Provided below is an online pdf document for lamberts bikes 4 wire motorcycle ignition switch wiring diagram. Electrical switch wiring light switch wiring ac wiring electrical wiring diagram jeep jk kohler engine parts motorcycle wiring suzuki motorcycle motorcycle tips. It shows the parts of the circuit as streamlined shapes, and also the power as well as signal connections between the devices. The starter relay wire needs to be connected to the start terminal located on the ignition switch. Wire labeled 12 (glow plugs) goes to terminal #3 on the ignition switch. 4 wire ignition switch diagram automotive wiring schematic tractor ignition switch wiring diagram see how simple it lookswhen you strip all the other stuff away. 4 wire ignition switch diagram. 15 luxury lawn mower ignition switch wiring diagram. Indak ignition switch wiring diagram welcome to our site this is images about indak ignition switch wiring diagram posted by maria nieto in indak category on oct 15 2019. How to hot wire an atv, start a stranded quad easily! Diagram vw polo 2001 wiring 2008 volkswagen 2003 car 2004 sedan diagrams 2010 radio 1998 alternator 2018 user full quality golf 2 electrical stereo audio rabbit convertible 71 ignition wire jetta 96 gti vr6 free pdf manual 1995 2002 work mk1 8ea5 sel front wheel drive 1974 89 system with hall effect sender fuse box 9n manuals mk3 wiringdiagram image. Lost key easy fix, temporarily disconnect a key switch, honda atv key switch bypass, key switch bypass. Lawn mower ignition switch wiring diagram.
Adamec / Skandal um Jiri Adamec - News - 1. Landesliga ... - From a pet form of the personal name adam. . Martin adamec, 22, from slovakia fk pohronie, since 2020 central midfield market value: Austin adamec (born 1988), american musician. It is not in the top 1000 names. He is a director and actor, known for nováci (1995), léto s gentlemanem (2019) and sanitka (1984). Results of adamec ( 65 ). Check out best 3d models from top modeling artists in 3d industry. Adamec m (feminine form adamcová). V roku 2011 vyhral druhý ročník speváckej súťaže československo hľadá superstar. Ladislav adamec was a czechoslovak communist politician. Take a look at adamec cgtrader 3d designer profile, portfolio and 3d models available. Austin Adamec Releases Lyrics Video for Single "My Only ... from cdn.hallels.com Adamec m (feminine form adamcová). V roku 2011 vyhra...
Viper Alarm Wiring Diagram / Viper Alarm System Wiring Diagram - Complete Wiring Schemas : Doc diagram lfa engine diagram ebook schematic circuit. . The last pic shows a convenient wiring diagram i did to identify all the heavy gauge wires for the remote start module. Any user assumes the entire risk as to the accuracy and use of this information. Tech supportsee more results viper 5x06 wiring diagram responder lc model security and remote start. Wiring the door circuit up to the dome lamp is just lazy as there is no reason why they could not have wired up to. I would recommend this viper 479v replacement alarm from sonicelectronix.com any time and recommend sonicelectronix.com to all of my friends. A spreadsheet i created with info including which viper wire to connect to which tacoma wire. To have enough space for removing wires. Wiring diagram for a viper 4606 remote start with dball2 interface on 08 chevy silverado 2500 hd 6.0l how to guide with wire color and lo...
1998 Volvo V70 Wiring Diagram - Volvo V70 2001 Electric Wiring Diagram : You may find documents other than just manuals as we also make available many user guides, specifications documents, promotional details, setup documents and more. . Volvo v70 2001 service and repair manual. Volvo models are sold in versions adapted for different markets. Volvo workshop & service manuals, fault codes and wiring diagrams pdf. Free pdf download for thousands of cars and trucks. 2002 volvo v70 wiring diagrams download. Volvo truck workshop manual free download error codes of the volvo fh12 engine control units before 1998. Pull the inner door panel and unplug the window motor. Volvo v70 service and repair manuals. V70, v70r, xc70, xc90 s. Mirrors, auxiliary heater, towing hook wiring, hood operation cigarette lighter11 2v outlet 11 cl31 11cl32 standard heater std, manual climate control. 1998 Volvo ...
Komentar
Posting Komentar