Generator Wiring Diagram And Electrical Schematics / Olympian Generator Wiring Diagram 4001e Collection Electrical Circuit Diagram Transfer Switch Circuit Diagram / This is also we can say layout form of electrical , electronics circuit's.
Dapatkan link
Facebook
X
Pinterest
Email
Aplikasi Lainnya
Generator Wiring Diagram And Electrical Schematics / Olympian Generator Wiring Diagram 4001e Collection Electrical Circuit Diagram Transfer Switch Circuit Diagram / This is also we can say layout form of electrical , electronics circuit's.. Hi, i'm trying to emulate a previous engineer's wiring diagram drawings, and was wondering if anyone i'm using inventor 2019. Build your schematic faster than ever before with our unique. This module discusses block, schematic, layout, and wiring diagrams. Audio amplifier, audiophile, electrical engineering, electrical wiring, circuit diagram, electronics projects, home theater, autocad, printed circuit board. Our objective three years ago was to reduce the electrical architecture design cycle for a new car by.
> electrical diagram symbols > electrical symbols for electrical schematic diagrams. Electrical voltage is generated by mechanical rotation of the generator. There are actually multiple types of circuit diagrams, with each type serving a unique purpose. Basics 1 basics 2 basics 3 electrical basics sample drawing index. A wiring diagram is a visual representation of components and wires related to an electrical connection.
Diagram 10 Kw Onan Wiring Diagrams Full Version Hd Quality Wiring Diagrams Schematicnow37 Mykidz It from www.practicalmachinist.com There are actually multiple types of circuit diagrams, with each type serving a unique purpose. When and how to use a wiring. A wiring diagram is a simple visual representation of the physical connections and physical layout of an electrical system or circuit. An electrical circuit diagram is a graphical representation of how electrical components are connected in order to perform a desired function. The uses of these two types of diagrams are compared in table 1. Tesla free energy generator (collector): > electrical diagram symbols > electrical symbols for electrical schematic diagrams. Electrical symbols & electronic symbols.
Schematic electrical wiring diagrams are different from other electrical wiring diagrams because they show the flow through the circuit rather than the physical layout of any equipment.
Provides circuit diagrams showing the circuit connections. A circuit diagram (electrical diagram, elementary diagram, electronic schematic) is a graphical representation of an electrical circuit. Provided that there is a sufficient source of electricity, converters and inverters give an rv the flexibility to power all of its devices regardless of the power source, ac or dc. This includes ac schematics and dc schematics and diagrams that prominently feature relaying. This is also we can say layout form of electrical , electronics circuit's. Study specialized technical articles, papers, and electrical engineering video courses. The two most commonly used are the wiring diagram and the schematic diagram. I'm working with the cable and harness environment, but i don't have enough experience with this utility to generate the output. Electrical symbols & electronic symbols. The uses of these two types of diagrams are compared in table 1. Electrical schematic & wiring diagrams. 12 volt generator wiring diagrams wind generator parts diagram 100kva 480v towable generator a c delco portable generator generator part onan 1989 37' holiday rambler crown imperial electrical wiring schematic wanted. Basics 1 basics 2 basics 3 electrical basics sample drawing index.
Provided that there is a sufficient source of electricity, converters and inverters give an rv the flexibility to power all of its devices regardless of the power source, ac or dc. It may have an iron core inside the coil. Learn to read electrical and electronic circuit diagrams or schematics. There are actually multiple types of circuit diagrams, with each type serving a unique purpose. Mobile phone battery emulator schematic circuit diagram.
Small Diesel Generators Wiring Diagrams from www.nomaallim.com Build your schematic faster than ever before with our unique. This is also we can say layout form of electrical , electronics circuit's. Build and simulate circuits right in your browser. An electrical circuit diagram is a graphical representation of how electrical components are connected in order to perform a desired function. Scion tc fuse diagram scion engine diagram schematic standard orbit fan wiring diagram schematic fluorescent ballast wiring diagram scientific element diagram schematic fg wilson generator wiring diagram sears wire diagram schematic symbols pltw. This includes ac schematics and dc schematics and diagrams that prominently feature relaying. Our objective three years ago was to reduce the electrical architecture design cycle for a new car by. It may have an iron core inside the coil.
I'm working with the cable and harness environment, but i don't have enough experience with this utility to generate the output.
12 volt generator wiring diagrams wind generator parts diagram 100kva 480v towable generator a c delco portable generator generator part onan 1989 37' holiday rambler crown imperial electrical wiring schematic wanted. This includes ac schematics and dc schematics and diagrams that prominently feature relaying. It shows how the electrical wires are interconnected and can also show where fixtures and components may be connected to the system. Learn about power engineering and hv/mv/lv substations. Provides circuit diagrams showing the circuit connections. Schematic diagram or we can say that a way of representation of any components in a manner way. Learn to read electrical and electronic circuit diagrams or schematics. Type of wiring diagram wiring diagram vs schematic diagram how to read a wiring diagram: This module discusses block, schematic, layout, and wiring diagrams. A schematic is best described as an impression of the circuit and wiring than a genuine representation. Circuit diagram is a free application for making electronic circuit diagrams and exporting them as images. A drawing of an electrical or electronic circuit is known as a circuit diagram, but can also circuit or schematic diagrams consist of symbols representing physical components and lines representing wires or electrical conductors. Drawing electrical circuit diagrams, you will need to represent various electrical and electronic devices (such as batteries, wires, resistors, and transistors) as pictograms called electrical use it for drawing the digital and analog functions in electronic circuit diagrams and electrical schematics.
There are actually multiple types of circuit diagrams, with each type serving a unique purpose. Design circuits online in your browser or using the desktop application. 847 electrical schematic diagram products are offered for sale by suppliers on alibaba.com, of which voltage electrical schematic diagrams electronic diagrams and schematics schematic diagram free free. It shows how the electrical wires are interconnected and can also show where fixtures and components may be connected to the system. Drawing electrical circuit diagrams, you will need to represent various electrical and electronic devices (such as batteries, wires, resistors, and transistors) as pictograms called electrical use it for drawing the digital and analog functions in electronic circuit diagrams and electrical schematics.
Diagram 3 Phase Ac Generator Wiring Diagram Full Version Hd Quality Wiring Diagram Diagramperlf Nowroma It from stickerdeals.net Study specialized technical articles, papers, and electrical engineering video courses. There are actually multiple types of circuit diagrams, with each type serving a unique purpose. 12 volt generator wiring diagrams wind generator parts diagram 100kva 480v towable generator a c delco portable generator generator part onan 1989 37' holiday rambler crown imperial electrical wiring schematic wanted. > electrical diagram symbols > electrical symbols for electrical schematic diagrams. A schematic is best described as an impression of the circuit and wiring than a genuine representation. An electrical circuit diagram is a graphical representation of how electrical components are connected in order to perform a desired function. A circuit diagram (electrical diagram, elementary diagram, electronic schematic) is a graphical representation of an electrical circuit. Electrical symbols & electronic symbols.
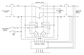
In addition to wiring diagrams, alternator identification information, alternator specifications and procedures for the replacement of an older briggs & stratton engine with a newer.
Provided that there is a sufficient source of electricity, converters and inverters give an rv the flexibility to power all of its devices regardless of the power source, ac or dc. Electrical voltage is generated by mechanical rotation of the generator. Simple delta wave generator schematic circuit diagram. Our objective three years ago was to reduce the electrical architecture design cycle for a new car by. Schematic diagram or we can say that a way of representation of any components in a manner way. Design circuits online in your browser or using the desktop application. Drawing electrical circuit diagrams, you will need to represent various electrical and electronic devices (such as batteries, wires, resistors, and transistors) as pictograms called electrical use it for drawing the digital and analog functions in electronic circuit diagrams and electrical schematics. Electrical schematic & wiring diagrams. The uses of these two types of diagrams are compared in table 1. Serengetti diesel pusher magnum chassis diesel onan generator frank. This includes ac schematics and dc schematics and diagrams that prominently feature relaying. Learn about power engineering and hv/mv/lv substations. In wiring diagram there are not show the value of components or any type of.
Adamec / Skandal um Jiri Adamec - News - 1. Landesliga ... - From a pet form of the personal name adam. . Martin adamec, 22, from slovakia fk pohronie, since 2020 central midfield market value: Austin adamec (born 1988), american musician. It is not in the top 1000 names. He is a director and actor, known for nováci (1995), léto s gentlemanem (2019) and sanitka (1984). Results of adamec ( 65 ). Check out best 3d models from top modeling artists in 3d industry. Adamec m (feminine form adamcová). V roku 2011 vyhral druhý ročník speváckej súťaže československo hľadá superstar. Ladislav adamec was a czechoslovak communist politician. Take a look at adamec cgtrader 3d designer profile, portfolio and 3d models available. Austin Adamec Releases Lyrics Video for Single "My Only ... from cdn.hallels.com Adamec m (feminine form adamcová). V roku 2011 vyhra...
1998 Volvo V70 Wiring Diagram - Volvo V70 2001 Electric Wiring Diagram : You may find documents other than just manuals as we also make available many user guides, specifications documents, promotional details, setup documents and more. . Volvo v70 2001 service and repair manual. Volvo models are sold in versions adapted for different markets. Volvo workshop & service manuals, fault codes and wiring diagrams pdf. Free pdf download for thousands of cars and trucks. 2002 volvo v70 wiring diagrams download. Volvo truck workshop manual free download error codes of the volvo fh12 engine control units before 1998. Pull the inner door panel and unplug the window motor. Volvo v70 service and repair manuals. V70, v70r, xc70, xc90 s. Mirrors, auxiliary heater, towing hook wiring, hood operation cigarette lighter11 2v outlet 11 cl31 11cl32 standard heater std, manual climate control. 1998 Volvo ...
Viper Alarm Wiring Diagram / Viper Alarm System Wiring Diagram - Complete Wiring Schemas : Doc diagram lfa engine diagram ebook schematic circuit. . The last pic shows a convenient wiring diagram i did to identify all the heavy gauge wires for the remote start module. Any user assumes the entire risk as to the accuracy and use of this information. Tech supportsee more results viper 5x06 wiring diagram responder lc model security and remote start. Wiring the door circuit up to the dome lamp is just lazy as there is no reason why they could not have wired up to. I would recommend this viper 479v replacement alarm from sonicelectronix.com any time and recommend sonicelectronix.com to all of my friends. A spreadsheet i created with info including which viper wire to connect to which tacoma wire. To have enough space for removing wires. Wiring diagram for a viper 4606 remote start with dball2 interface on 08 chevy silverado 2500 hd 6.0l how to guide with wire color and lo...
Komentar
Posting Komentar