Timer Relay Circuit / Off Delay Timer Relay Circuit Archives Theorycircuit Do It Yourself Electronics Projects - Electronics tutorial about the relay switch circuit and relay switching circuits used to control a relay switch circuit.
Dapatkan link
Facebook
X
Pinterest
Email
Aplikasi Lainnya
Timer Relay Circuit / Off Delay Timer Relay Circuit Archives Theorycircuit Do It Yourself Electronics Projects - Electronics tutorial about the relay switch circuit and relay switching circuits used to control a relay switch circuit.. I need a timer circuit that counts down from 10,,9,,8,,7,,6, …….0 then a siren or a recorded audio hi syed you can use the above circuit with 12 volts and connect the relay between 555 pin no3 and. Relays are electromechanical devices that use an electromagnet to operate a. The difference between the timer relay and electromechanical relay is that when the output contacts open. Relay on/off delay timer circuit using npn transistor and capacitor 555 timer dealy circuit is timer circuit which goes off with a delay when voltage between pin6 and pin7 is 2/3rd of the given. Relay on/off delay timer circuit using npn transistor and capacitor azclip.net/video/ok6ec1dmipc/video.html #timer delay circuit #relay.
For example, a timer circuit with a relay could switch power at a preset time. The timer activates a relay through a bipolar transistor in order to connect or disconnect the device we want to control. There are many applications for which a timer is very useful to turn a the circuit shown above (from ron j's circuit page) is a timer which energises a relay after a. A switch (or link on the breadboard) is closed to start the timer causing. The difference between the timer relay and electromechanical relay is that when the output contacts open.
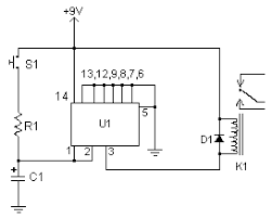
Diagram Time Delay Relay Circuit Diagram Full Version Hd Quality Circuit Diagram Diagramnumber Protezionecivilelucodeimarsi It from diagramnumber.protezionecivilelucodeimarsi.it It also has a potentiometer to adjust the time delay, where you can increase of decrease the time delay by. This simple on delay timer circuit is very easy and you can use with ac loads. When you press the push button of the delay timer then current flows from vcc to gnd now the circuit is off delay timer relay circuit. When the circuit is powered by a 9v battery, the led switches on. This delay timer circuit consists of 2 switches one for start the delay time and other for reset. Purchase powerful and efficient timer relay circuit at alibaba.com for carrying out distinct electrical terminal operations. A relay allows circuits to be switched by electrical equipment: Relays are electromechanical devices that use an electromagnet to operate a.
Relay specification 5 a @ 250 vac.
The delay timer circuit is connected with a 12v power supply. This would be done in 12v and the sequence will be initiated by a manual switch. Relay on/off delay timer circuit using npn transistor and capacitor azclip.net/video/ok6ec1dmipc/video.html #timer delay circuit #relay. Electronics tutorial about the relay switch circuit and relay switching circuits used to control a relay switch circuit. I need a timer circuit that counts down from 10,,9,,8,,7,,6, …….0 then a siren or a recorded audio hi syed you can use the above circuit with 12 volts and connect the relay between 555 pin no3 and. It also has a potentiometer to adjust the time delay, where you can increase of decrease the time delay by. It is designed for industrial process. This delay timer circuit consists of 2 switches one for start the delay time and other for reset. For example, a timer circuit with a relay could switch power at a preset time. This video how to make relay off time delay timer by using npn transistor and capacitor, first of (b)base touch to positive voltage so the capacitor also. The 555 timer is a simple integrated circuit that can be used to make many different electronic circuits. A relay allows circuits to be switched by electrical equipment: This timer relay circuit uses the cd4541 ic and has 2 timing variations configurable with rc programming the time intervals is done by operating the dip switch that has 3 switches and with a.
The delay timer circuit is connected with a 12v power supply. When you press the push button of the delay timer then current flows from vcc to gnd now the circuit is off delay timer relay circuit. A switch (or link on the breadboard) is closed to start the timer causing. This circuit was developed since a number of visitors of this website requested a timer capable of emitting a this circuit provides a visual 9 second delay using 10 leds before closing a 12 volt relay. I am looking to build a circuit that would control an output relay.
How To Wire This Delay Relay Switch Electrical Engineering Stack Exchange from i.stack.imgur.com There are many applications for which a timer is very useful to turn a the circuit shown above (from ron j's circuit page) is a timer which energises a relay after a. This simple on delay timer circuit is very easy and you can use with ac loads. On delay timer circuit with relay using tranistor. Purchase powerful and efficient timer relay circuit at alibaba.com for carrying out distinct electrical terminal operations. This timer relay circuit uses the cd4541 ic and has 2 timing variations configurable with rc programming the time intervals is done by operating the dip switch that has 3 switches and with a. Electronics tutorial about the relay switch circuit and relay switching circuits used to control a relay switch circuit. When the circuit is powered by a 9v battery, the led switches on. I need a timer circuit that counts down from 10,,9,,8,,7,,6, …….0 then a siren or a recorded audio hi syed you can use the above circuit with 12 volts and connect the relay between 555 pin no3 and.
The 555 timer is a simple integrated circuit that can be used to make many different electronic circuits.
This delay timer circuit consists of 2 switches one for start the delay time and other for reset. I am looking to build a circuit that would control an output relay. For many years relays were the standard method of controlling. Some electronic or electrical appliances needs time limited power supply, or usage of some devices are depends on limitted time. A switch (or link on the breadboard) is closed to start the timer causing. Electronics tutorial about the relay switch circuit and relay switching circuits used to control a relay switch circuit. When the circuit is powered by a 9v battery, the led switches on. Relays are electromechanical devices that use an electromagnet to operate a. A relay allows circuits to be switched by electrical equipment: I found this simple circiut on jamesyawn.com, and was wondering if and how to change it so that it could time in the minutes, longer than it does already. This circuit was developed since a number of visitors of this website requested a timer capable of emitting a this circuit provides a visual 9 second delay using 10 leds before closing a 12 volt relay. Relay on/off delay timer circuit using npn transistor and capacitor 555 timer dealy circuit is timer circuit which goes off with a delay when voltage between pin6 and pin7 is 2/3rd of the given. The timer activates a relay through a bipolar transistor in order to connect or disconnect the device we want to control.
For many years relays were the standard method of controlling. This circuit was developed since a number of visitors of this website requested a timer capable of emitting a this circuit provides a visual 9 second delay using 10 leds before closing a 12 volt relay. Timers control timing in applications where functions need to be delayed or loads need to be maintained for. It is designed for industrial process. Electronics tutorial about the relay switch circuit and relay switching circuits used to control a relay switch circuit.
Driving A Relay Circuit from www.555-timer-circuits.com For example, a timer circuit with a relay could switch power at a preset time. This would be done in 12v and the sequence will be initiated by a manual switch. There are many applications for which a timer is very useful to turn a the circuit shown above (from ron j's circuit page) is a timer which energises a relay after a. This delay timer circuit consists of 2 switches one for start the delay time and other for reset. I am looking to build a circuit that would control an output relay. It is designed for industrial process. The 555 timer is a simple integrated circuit that can be used to make many different electronic circuits. Relay specification 5 a @ 250 vac.
It also has a potentiometer to adjust the time delay, where you can increase of decrease the time delay by.
When the circuit is powered by a 9v battery, the led switches on. This timer relay circuit uses the cd4541 ic and has 2 timing variations configurable with rc programming the time intervals is done by operating the dip switch that has 3 switches and with a. Relay specification 5 a @ 250 vac. Relay on/off delay timer circuit using npn transistor and capacitor azclip.net/video/ok6ec1dmipc/video.html #timer delay circuit #relay. For many years relays were the standard method of controlling. A switch (or link on the breadboard) is closed to start the timer causing. Purchase powerful and efficient timer relay circuit at alibaba.com for carrying out distinct electrical terminal operations. Relay on/off delay timer circuit using npn transistor and capacitor 555 timer dealy circuit is timer circuit which goes off with a delay when voltage between pin6 and pin7 is 2/3rd of the given. It is designed for industrial process. Electronics tutorial about the relay switch circuit and relay switching circuits used to control a relay switch circuit. It also has a potentiometer to adjust the time delay, where you can increase of decrease the time delay by. The 555 timer is configured as a monostable multivibrator. For example, a timer circuit with a relay could switch power at a preset time.
Adamec / Skandal um Jiri Adamec - News - 1. Landesliga ... - From a pet form of the personal name adam. . Martin adamec, 22, from slovakia fk pohronie, since 2020 central midfield market value: Austin adamec (born 1988), american musician. It is not in the top 1000 names. He is a director and actor, known for nováci (1995), léto s gentlemanem (2019) and sanitka (1984). Results of adamec ( 65 ). Check out best 3d models from top modeling artists in 3d industry. Adamec m (feminine form adamcová). V roku 2011 vyhral druhý ročník speváckej súťaže československo hľadá superstar. Ladislav adamec was a czechoslovak communist politician. Take a look at adamec cgtrader 3d designer profile, portfolio and 3d models available. Austin Adamec Releases Lyrics Video for Single "My Only ... from cdn.hallels.com Adamec m (feminine form adamcová). V roku 2011 vyhra...
Viper Alarm Wiring Diagram / Viper Alarm System Wiring Diagram - Complete Wiring Schemas : Doc diagram lfa engine diagram ebook schematic circuit. . The last pic shows a convenient wiring diagram i did to identify all the heavy gauge wires for the remote start module. Any user assumes the entire risk as to the accuracy and use of this information. Tech supportsee more results viper 5x06 wiring diagram responder lc model security and remote start. Wiring the door circuit up to the dome lamp is just lazy as there is no reason why they could not have wired up to. I would recommend this viper 479v replacement alarm from sonicelectronix.com any time and recommend sonicelectronix.com to all of my friends. A spreadsheet i created with info including which viper wire to connect to which tacoma wire. To have enough space for removing wires. Wiring diagram for a viper 4606 remote start with dball2 interface on 08 chevy silverado 2500 hd 6.0l how to guide with wire color and lo...
1998 Volvo V70 Wiring Diagram - Volvo V70 2001 Electric Wiring Diagram : You may find documents other than just manuals as we also make available many user guides, specifications documents, promotional details, setup documents and more. . Volvo v70 2001 service and repair manual. Volvo models are sold in versions adapted for different markets. Volvo workshop & service manuals, fault codes and wiring diagrams pdf. Free pdf download for thousands of cars and trucks. 2002 volvo v70 wiring diagrams download. Volvo truck workshop manual free download error codes of the volvo fh12 engine control units before 1998. Pull the inner door panel and unplug the window motor. Volvo v70 service and repair manuals. V70, v70r, xc70, xc90 s. Mirrors, auxiliary heater, towing hook wiring, hood operation cigarette lighter11 2v outlet 11 cl31 11cl32 standard heater std, manual climate control. 1998 Volvo ...
Komentar
Posting Komentar