2004 Toyota Corolla Engine Diagram : Diagram Wiring Diagram For 2004 Toyota Corolla S Full Version Hd Quality Corolla S Thewiringweb2c Progettofem It : Learn how it drives and what features set the 2004 toyota corolla apart from its rivals.
Dapatkan link
Facebook
X
Pinterest
Email
Aplikasi Lainnya
2004 Toyota Corolla Engine Diagram : Diagram Wiring Diagram For 2004 Toyota Corolla S Full Version Hd Quality Corolla S Thewiringweb2c Progettofem It : Learn how it drives and what features set the 2004 toyota corolla apart from its rivals.. Wiring diagrams toyota by year. Where is the fuel pump fuse on a 2004 toyota corolla? Toyota corolla corolla xrs 2006 toyota tundra v engine bmw engines diagram design bmw s power cars toyota cars. Toyota corolla electrical wiring diagram. Detailed toyota corolla engine and associated service systems (for repairs and overhaul) (pdf) toyota corolla wiring diagrams.there are much better ways of servicing and understanding your toyota corolla engine than.
Our comprehensive reviews include detailed ratings on price and features, design, practicality, engine, fuel consumption. Stop lights, high mounted stoplight, anti−lock brake system, shift lock control system, engine control system, cruise control system. Wiring diagrams toyota by year. D 2004 corolla repair manual. This is a list of engines developed, independently or with other car companies, by toyota.
1996 Toyota Corolla Engine Diagram Wiring Diagram Replace Crop Progressive Crop Progressive Miramontiseo It from www.fixya.com This is a list of engines developed, independently or with other car companies, by toyota. This diagram is based on the toyota workshop manual. Hello & welcome to fordmustang98guy, & today i give you all a full in depth review on the 2004 toyota corolla ce. Engine wire and engine room main wire (inside of the engine room r/b). Our comprehensive reviews include detailed ratings on price and features, design, practicality, engine, fuel consumption. Where is the fuel pump fuse on a 2004 toyota corolla? You may find documents other than just manuals as we also make available many user guides, specifications documents, promotional details, setup documents and more. Toyota corolla corolla xrs 2006 toyota tundra v engine bmw engines diagram design bmw s power cars toyota cars.
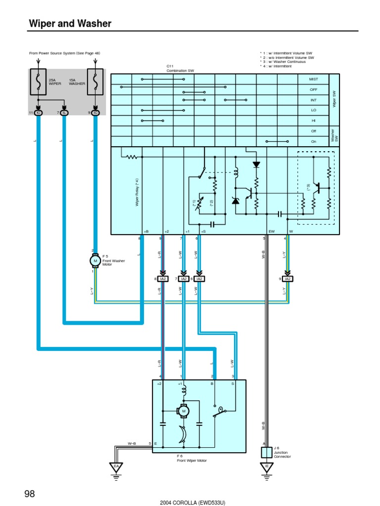
View and download toyota corolla2004 electrical wiring diagram online.
This diagram is based on the toyota workshop manual. The first numeric characters specify the. English 2004 toyota corolla wiring diagrams.pdf 2004. View and download toyota corolla2004 electrical wiring diagram online. Wiring diagrams toyota by year. Genuine 2004 toyota corolla parts have been engineered to meet toyota's safety, reliability, and functionality standards. We have the following 2004 toyota corolla manuals available for free pdf download. 1991 toyota corolla 1.6l 4a fe wiring diagram.png. Our comprehensive reviews include detailed ratings on price and features, design, practicality, engine, fuel consumption. Engine wire and engine room main wire (inside of the engine room r/b). Toyota vios electrical wiring diagram … The company follows a simple naming system for their modern engines: You may find documents other than just manuals as we also make available many user guides, specifications documents, promotional details, setup documents and more.
Glossary of terms and symbols. Find all of our 2004 toyota corolla reviews, videos, faqs & news in one place. English 2004 toyota corolla wiring diagrams.pdf 2004. Stop lights, high mounted stoplight, anti−lock brake system, shift lock control system, engine control system, cruise control system. The first numeric characters specify the.
Toyota 2 0l Engine Parts Diagram Wiring Diagram Cycle Internal Cycle Internal Comune Farini Pc It from japan-parts.eu Position of parts in body diagram toyota sienna 2006 2003 toyota corolla parts trdparts com structural outline 31 1992 corolla door parts. Toyota corolla electrical wiring diagram. Toyota corolla corolla xrs 2006 toyota tundra v engine bmw engines diagram design bmw s power cars toyota cars. We have the following 2004 toyota corolla manuals available for free pdf download. View and download toyota corolla2004 electrical wiring diagram online. Genuine 2004 toyota corolla parts have been engineered to meet toyota's safety, reliability, and functionality standards. Toyota corolla is a compact class car manufactured by toyota since 1966. 2004 toyota corolla electrical wiring diagram.
Detailed toyota corolla engine and associated service systems (for repairs and overhaul) (pdf) toyota corolla wiring diagrams.there are much better ways of servicing and understanding your toyota corolla engine than.
I take viewers on a close look through the. Toyota vios electrical wiring diagram … Toyota 2002 toyota 2003 toyota 2004 toyota 2005 toyota 2006 toyota 2007 toyota 2008 toyota 2009 toyota 2010 toyota 2011 toyota camry toyota celica toyota corolla toyota echo toyota fj cruiser toyota highlander toyota land. English 2004 toyota corolla wiring diagrams.pdf 2004. D 2004 corolla repair manual. Our comprehensive reviews include detailed ratings on price and features, design, practicality, engine, fuel consumption. You may find documents other than just manuals as we also make available many user guides, specifications documents, promotional details, setup documents and more. Where is the fuel pump fuse on a 2004 toyota corolla? Glossary of terms and symbols. The company follows a simple naming system for their modern engines: Some toyota corolla wiring diagrams are above the page. Toyota corolla is a compact class car manufactured by toyota since 1966. Position of parts in body diagram toyota sienna 2006 2003 toyota corolla parts trdparts com structural outline 31 1992 corolla door parts.
Position of parts in body diagram toyota sienna 2006 2003 toyota corolla parts trdparts com structural outline 31 1992 corolla door parts. This diagram is based on the toyota workshop manual. This is a list of engines developed, independently or with other car companies, by toyota. Detailed toyota corolla engine and associated service systems (for repairs and overhaul) (pdf) toyota corolla wiring diagrams.there are much better ways of servicing and understanding your toyota corolla engine than. Toyota vios electrical wiring diagram …
Toyota Corolla S Fuse Box Wiring Diagram Ground Rule Ground Rule Ristorantegorgodelpo It from static-resources.imageservice.cloud Detailed toyota corolla engine and associated service systems (for repairs and overhaul) (pdf) toyota corolla wiring diagrams.there are much better ways of servicing and understanding your toyota corolla engine than. This is a list of engines developed, independently or with other car companies, by toyota. Position of parts in body diagram toyota sienna 2006 2003 toyota corolla parts trdparts com structural outline 31 1992 corolla door parts. Some toyota corolla wiring diagrams are above the page. The first numeric characters specify the. Where is the fuel pump fuse on a 2004 toyota corolla? 2004 toyota corolla electrical wiring diagram. Toyota 2002 toyota 2003 toyota 2004 toyota 2005 toyota 2006 toyota 2007 toyota 2008 toyota 2009 toyota 2010 toyota 2011 toyota camry toyota celica toyota corolla toyota echo toyota fj cruiser toyota highlander toyota land.
Detailed toyota corolla engine and associated service systems (for repairs and overhaul) (pdf) toyota corolla wiring diagrams.there are much better ways of servicing and understanding your toyota corolla engine than.
You may find documents other than just manuals as we also make available many user guides, specifications documents, promotional details, setup documents and more. Find all of our 2004 toyota corolla reviews, videos, faqs & news in one place. Learn how it drives and what features set the 2004 toyota corolla apart from its rivals. Find everything you need to know about your 2004 toyota corolla in the owners manual from toyota owners. Detailed toyota corolla engine and associated service systems (for repairs and overhaul) (pdf) toyota corolla wiring diagrams.there are much better ways of servicing and understanding your toyota corolla engine than. We have the following 2004 toyota corolla manuals available for free pdf download. Genuine 2004 toyota corolla parts have been engineered to meet toyota's safety, reliability, and functionality standards. Toyota 2002 toyota 2003 toyota 2004 toyota 2005 toyota 2006 toyota 2007 toyota 2008 toyota 2009 toyota 2010 toyota 2011 toyota camry toyota celica toyota corolla toyota echo toyota fj cruiser toyota highlander toyota land. The first numeric characters specify the. Toyota corolla electrical wiring diagram. Hello & welcome to fordmustang98guy, & today i give you all a full in depth review on the 2004 toyota corolla ce. Wiring diagrams toyota by year. Position of parts in body diagram toyota sienna 2006 2003 toyota corolla parts trdparts com structural outline 31 1992 corolla door parts.
Adamec / Skandal um Jiri Adamec - News - 1. Landesliga ... - From a pet form of the personal name adam. . Martin adamec, 22, from slovakia fk pohronie, since 2020 central midfield market value: Austin adamec (born 1988), american musician. It is not in the top 1000 names. He is a director and actor, known for nováci (1995), léto s gentlemanem (2019) and sanitka (1984). Results of adamec ( 65 ). Check out best 3d models from top modeling artists in 3d industry. Adamec m (feminine form adamcová). V roku 2011 vyhral druhý ročník speváckej súťaže československo hľadá superstar. Ladislav adamec was a czechoslovak communist politician. Take a look at adamec cgtrader 3d designer profile, portfolio and 3d models available. Austin Adamec Releases Lyrics Video for Single "My Only ... from cdn.hallels.com Adamec m (feminine form adamcová). V roku 2011 vyhra...
Viper Alarm Wiring Diagram / Viper Alarm System Wiring Diagram - Complete Wiring Schemas : Doc diagram lfa engine diagram ebook schematic circuit. . The last pic shows a convenient wiring diagram i did to identify all the heavy gauge wires for the remote start module. Any user assumes the entire risk as to the accuracy and use of this information. Tech supportsee more results viper 5x06 wiring diagram responder lc model security and remote start. Wiring the door circuit up to the dome lamp is just lazy as there is no reason why they could not have wired up to. I would recommend this viper 479v replacement alarm from sonicelectronix.com any time and recommend sonicelectronix.com to all of my friends. A spreadsheet i created with info including which viper wire to connect to which tacoma wire. To have enough space for removing wires. Wiring diagram for a viper 4606 remote start with dball2 interface on 08 chevy silverado 2500 hd 6.0l how to guide with wire color and lo...
1998 Volvo V70 Wiring Diagram - Volvo V70 2001 Electric Wiring Diagram : You may find documents other than just manuals as we also make available many user guides, specifications documents, promotional details, setup documents and more. . Volvo v70 2001 service and repair manual. Volvo models are sold in versions adapted for different markets. Volvo workshop & service manuals, fault codes and wiring diagrams pdf. Free pdf download for thousands of cars and trucks. 2002 volvo v70 wiring diagrams download. Volvo truck workshop manual free download error codes of the volvo fh12 engine control units before 1998. Pull the inner door panel and unplug the window motor. Volvo v70 service and repair manuals. V70, v70r, xc70, xc90 s. Mirrors, auxiliary heater, towing hook wiring, hood operation cigarette lighter11 2v outlet 11 cl31 11cl32 standard heater std, manual climate control. 1998 Volvo ...
Komentar
Posting Komentar