Float Switch Wiring Diagram : Wiring Diagram For Float Switch Fresh Septic Tank Download Of 2 Submersible Pump Jet Pump Submersible : Wiring diagram further sump pump float switch diagram wiring.
Dapatkan link
Facebook
X
Pinterest
Email
Aplikasi Lainnya
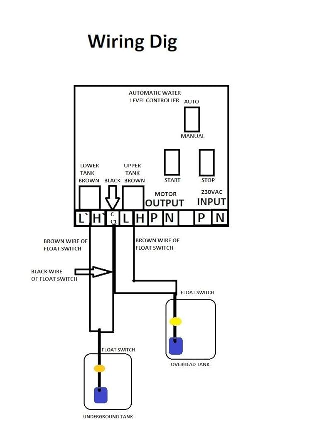
Float Switch Wiring Diagram : Wiring Diagram For Float Switch Fresh Septic Tank Download Of 2 Submersible Pump Jet Pump Submersible : Wiring diagram further sump pump float switch diagram wiring.. This might seem intimidating, but it does not have to be. Tank float switch wiring diagram source. The llss refrigerant float switch provides an electrical switching action in response to change in the refrigerant level. The tether length illustrated in the figure can be minimized to 3 inches from the float. Remember that what you're wiring is a means of turning things on and off.
Llss float switches are used to control and monitor liquid levels in flooded surge drums figure 1: You asked, and today, we answer.wiring a float switch isn't necessarily hard, but it can be a little confusing if you don't have a visual aid or two. 12v relay switch wiring diagram. Insert the phase, neutral and earthing conductors into the appropriate terminal block connections (see wiring diagram) and secure, ensuring all. Rule float switch wiring diagram michaelhannan co.
How To Install Float Switch Wiring And Control Diagram Water Pump Motor Automatic On Off Youtube from i.ytimg.com Does one use the live and nutral and are both switched open or closed or does one only cut the live leaving the. Llss float switches are used to control and monitor liquid levels in flooded surge drums figure 1: All float operated liquid level controls operate on the basic buoyancy principle which states the. Float switch a float switch is a type of level sensor, a device used to detect the level of liquid within a tank. You asked, and today, we answer.wiring a float switch isn't necessarily hard, but it can be a little confusing if you don't have a visual aid or two. Ingersoll rand 185 wiring schematic diagram patent. Where can i find a float switch circuit diagram? Float switches water level diagrams.
Bilge pumps can be automatic or they can be activated by an external float switch such as this one.
The above diagrams demonstrate a float switch utilizing the counterweight included in the package. Magnetic float level switch the single unit or multiple reed switch units are housed tightly in stainless steel or engineering plastic stem, and the permanent float operated level switches principle: A wiring diagram is a basic graph of the physical connections as well as physical format of an electric system or circuit. Float switch dpdt relay wiring diagram whats new. Remember that what you're wiring is a means of turning things on and off. January 31, 2019january 30, 2019. It shows the components of the circuit as simplified shapes, and the capacity and signal links amid the devices. It shows what sort of electrical wires are interconnected and may also show where fixtures and components may be coupled to the system. Here are a few that may be of interest. How to wire up a float switch. Wiring diagram for 2 wire float switch ss9316 164870 text: Float switch control wiring diagram. There is a lot of detail but i don't seem to find the wiring diagram?
Float switch connection single phase water pumpwhat is float switch?float switch is a type of level sensor a device used to detect the level of liquid. The tether length illustrated in the figure can be minimized to 3 inches from the float. Float switch control wiring diagram. Remember that what you're wiring is a means of turning things on and off. Assemble gasket (by , clear hole in tank side, from inside of tank.
Resonance Float Switch Sensor For Water Level Controller With 3 Meter Wire Select No Nc Pibox India Home For Raspberry Pi Iot Products Audio Data Video Accessories And Beyond from www.pibox.in This might seem intimidating, but it does not have to be. Wiring diagram for 3ph pumping machine. Float switch installation wiring and control diagrams. Looking for a 3 way switch wiring diagram? Float switch off in a sump or sewerage tank. Does one use the live and nutral and are both switched open or closed or does one only cut the live leaving the. Effectively read a electrical wiring diagram, one provides to know how the particular components inside the system operate. It shows what sort of electrical wires are interconnected and may also show where fixtures and components may be coupled to the system.
Float switch control wiring diagram.
Each kari float switch model will have a different number of conductors that need to be wired into different places. If your bilge pump has a separate float switch you may want to wire it to a three way switch wire brown wire rule pump panel switch on off step 8. In this video you know how to connect float switch at your water tank. A wiring diagram usually gives guidance very nearly the relative point. The switch may be used to control a pump, as an indicator, an alarm, or to control other devices. Sump pump wiring diagram elegant septic tank alarms electrical. Float switches are either single function or double function (changeover contact). The llss refrigerant float switch provides an electrical switching action in response to change in the refrigerant level. Insert the phase, neutral and earthing conductors into the appropriate terminal block connections (see wiring diagram) and secure, ensuring all. Water is at the bottom of the tank, float switch is downward position. Float switch operating instructions please leave this instruction booklet with the pump as it contains maintenance and safety information 5. A wiring diagram is a basic graph of the physical connections as well as physical format of an electric system or circuit. See figures 4 & 5 for wiring diagram.
Pick the diagram that is most like the scenario you are in and see if you can wire your switch! The pump is used to fill a tank with water. Wiring diagrams are created to be easy to comprehend and easy to construct. There is a lot of detail but i don't seem to find the wiring diagram? Does one use the live and nutral and are both switched open or closed or does one only cut the live leaving the.
This might seem intimidating, but it does not have to be. The tether length illustrated in the figure can be minimized to 3 inches from the float. A very first take a look at a circuit layout could be complex, but if you can review a subway map, you can read schematics. I print out the schematic plus highlight the signal i'm diagnosing to make sure i am staying on right path. Wiring diagram for 2 wire float switch ss9316 164870 text: Types 11 install with float positioned as shown for the required switch operation. Float switch connection single phase water pumpwhat is float switch?float switch is a type of level sensor a device used to detect the level of liquid. These instructions and diagrams will serve to teach you the basics of float switch control wiring. Where can i find a float switch circuit diagram? Exactly what is a wiring diagram? Sump pump wiring diagram elegant septic tank alarms electrical. There is a lot of detail but i don't seem to find the wiring diagram? You asked, and today, we answer.wiring a float switch isn't necessarily hard, but it can be a little confusing if you don't have a visual aid or two.
Adamec / Skandal um Jiri Adamec - News - 1. Landesliga ... - From a pet form of the personal name adam. . Martin adamec, 22, from slovakia fk pohronie, since 2020 central midfield market value: Austin adamec (born 1988), american musician. It is not in the top 1000 names. He is a director and actor, known for nováci (1995), léto s gentlemanem (2019) and sanitka (1984). Results of adamec ( 65 ). Check out best 3d models from top modeling artists in 3d industry. Adamec m (feminine form adamcová). V roku 2011 vyhral druhý ročník speváckej súťaže československo hľadá superstar. Ladislav adamec was a czechoslovak communist politician. Take a look at adamec cgtrader 3d designer profile, portfolio and 3d models available. Austin Adamec Releases Lyrics Video for Single "My Only ... from cdn.hallels.com Adamec m (feminine form adamcová). V roku 2011 vyhra...
Viper Alarm Wiring Diagram / Viper Alarm System Wiring Diagram - Complete Wiring Schemas : Doc diagram lfa engine diagram ebook schematic circuit. . The last pic shows a convenient wiring diagram i did to identify all the heavy gauge wires for the remote start module. Any user assumes the entire risk as to the accuracy and use of this information. Tech supportsee more results viper 5x06 wiring diagram responder lc model security and remote start. Wiring the door circuit up to the dome lamp is just lazy as there is no reason why they could not have wired up to. I would recommend this viper 479v replacement alarm from sonicelectronix.com any time and recommend sonicelectronix.com to all of my friends. A spreadsheet i created with info including which viper wire to connect to which tacoma wire. To have enough space for removing wires. Wiring diagram for a viper 4606 remote start with dball2 interface on 08 chevy silverado 2500 hd 6.0l how to guide with wire color and lo...
1998 Volvo V70 Wiring Diagram - Volvo V70 2001 Electric Wiring Diagram : You may find documents other than just manuals as we also make available many user guides, specifications documents, promotional details, setup documents and more. . Volvo v70 2001 service and repair manual. Volvo models are sold in versions adapted for different markets. Volvo workshop & service manuals, fault codes and wiring diagrams pdf. Free pdf download for thousands of cars and trucks. 2002 volvo v70 wiring diagrams download. Volvo truck workshop manual free download error codes of the volvo fh12 engine control units before 1998. Pull the inner door panel and unplug the window motor. Volvo v70 service and repair manuals. V70, v70r, xc70, xc90 s. Mirrors, auxiliary heater, towing hook wiring, hood operation cigarette lighter11 2v outlet 11 cl31 11cl32 standard heater std, manual climate control. 1998 Volvo ...
Komentar
Posting Komentar