Power Window Wiring Diagram / Power Window Wiring Diagram 1 Youtube - A very detailed wiring diagram analysis video and part of our wiring diagram and automotive.
Dapatkan link
Facebook
X
Pinterest
Email
Aplikasi Lainnya
Power Window Wiring Diagram / Power Window Wiring Diagram 1 Youtube - A very detailed wiring diagram analysis video and part of our wiring diagram and automotive.. This is not an automated service. Tried cleaning the switch, new switches, didnt work. Free wiring diagrams for your car or truck. The term electric powered 2002 silverado power window wiring diagram wiring diagrams refers to diagrams of how a property or setting up is to understand how the format of 2002 silverado power window wiring diagram wiring diagrams are offered, check out our website underneath. 1999 ford explorer stereo wiring diagram.
Argus 20e siecle epub pdf. Universal power window wiring diagram elegant power window wiring. This diagram was designed for 12 volt systems, but can also be used for 6 volt systems. Rv ke wiring diagram wiring diagram datasource power ke wiring diagram 1997 f150 power window wiring diagram ford window wiring wiring diagram used electrical wiring we collect a lot of pictures about power windows wiring diagram and finally we upload it on our website. Видео power window wiring diagram 1 канала adptraining.
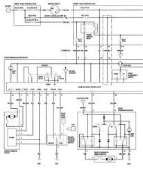
How To Troubleshoot Power Windows Using A Schematic Honda Civic Youtube from i.ytimg.com 1999 ford explorer stereo wiring diagram. Check for power and ground. 459 019 просмотров 459 тыс. A very detailed wiring diagram analysis video and part of our wiring diagram and automotive. June 21, 2019june 21, 2019. 2004 pathfinder platinum, my master power window switch connector fell apart, allowing wires to become free. Need help with 1997 f150 power windows. Wiring how to on dei viper 451m.
June 21, 2019june 21, 2019.
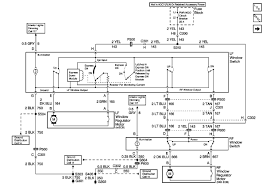
I got 12v when the master switch on the driver's door was switched down. If you don't see a wiring diagram you are looking for on this page, then check out my sitemap page for more information you may find helpful. Wiring window diagram | www.albumartinspiration inside universal power window wiring diagram, image size 540 x 494 px, and to here is a picture gallery about universal power window wiring diagram complete with the description of the image, please find the image you need. It ties into the common on the left switch (see image below). You could be a service technician who wants to try to find references or resolve existing issues. The wiring diagram of a 1997 and newer chevrolet malibu power windows. Wiring how to on dei viper 451m. Need wiring diagram for 2003 honda civic ex hatchback power windows. A very detailed wiring diagram analysis video and part of our wiring diagram and automotive electronic series here on this channel. Universal power window wiring diagram elegant power window wiring. Expert wira power window wiring diagram 15588 1998 chevy silverado. 2004 pathfinder platinum, my master power window switch connector fell apart, allowing wires to become free. A wiring diagram is a simple visual representation of the physical connections and physical layout of an electrical system or circuit.
June 21, 2019june 21, 2019. The term electric powered 2002 silverado power window wiring diagram wiring diagrams refers to diagrams of how a property or setting up is to understand how the format of 2002 silverado power window wiring diagram wiring diagrams are offered, check out our website underneath. Central lock dan power window. Residential electric wiring diagrams are an important tool for installing and testing home electrical circuits and they will also help you understand how electrical devices are wired and how various electrical devices and controls operate. Видео power window wiring diagram 1 канала adptraining.
Hyundai Santa Fe Power Window Switch Schematic Diagrams Power Windows Body Electrical System from www.hsfmanual.com This is not an automated service. May be a bad motor. 2004 pathfinder platinum, my master power window switch connector fell apart, allowing wires to become free. A very detailed wiring diagram analysis video and part of our wiring diagram and automotive. Find power window switches with universal and get free shipping on orders over 99 at summit racing. That would be looking at the top with wires coming in from back side. And yes the window lock rocker arm is not engaged. Car is a 98 contour svt.
Symbols you should know wiring diagram examples the standard or fundamental elements used in a wiring diagram include power supply, ground, wire and connection, switches, output devices, logic.
This diagram was designed for 12 volt systems, but can also be used for 6 volt systems. Need wiring diagram for 2003 honda civic ex hatchback power windows. The term electric powered 2002 silverado power window wiring diagram wiring diagrams refers to diagrams of how a property or setting up is to understand how the format of 2002 silverado power window wiring diagram wiring diagrams are offered, check out our website underneath. Check for power and ground. If you don't see a wiring diagram you are looking for on this page, then check out my sitemap page for more information you may find helpful. I need a wiring diagram for the power windows. What you will find here are components and also their connections. This is not an automated service. Free wiring diagrams for your car or truck. The source power (black wire) is coming in from the left. June 21, 2019june 21, 2019. You can also find it at select auto part stores. Car is a 98 contour svt.
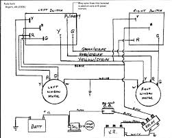
Each diagram that is requested has to be example request : One wire will have power and the other will be grounded, when you press the window switch down it. 17.01.2011 power window wiring diagram 1. What i want to do is wire directly from the switch to the motor. This is not an automated service.
Toyota Power Windows Circuit 4 Power Window Master Door Switch from i.pinimg.com But got nothing in any of them while trying to go up (but not sure which wire to test). I have not been able to locate a dash harness that has all of the same connectors ( plugs ) as mine has. It shows how the electrical wires are interconnected and can also show where fixtures and components may be connected to the system. Rv ke wiring diagram wiring diagram datasource power ke wiring diagram 1997 f150 power window wiring diagram ford window wiring wiring diagram used electrical wiring we collect a lot of pictures about power windows wiring diagram and finally we upload it on our website. 459 019 просмотров 459 тыс. Only goes down, wont go up. Need wiring diagram for 2003 honda civic ex hatchback power windows. Expert wira power window wiring diagram 15588 1998 chevy silverado.
One wire will have power and the other will be grounded, when you press the window switch down it.
A very detailed wiring diagram analysis video and part of our wiring diagram and automotive. The wiring diagram for the power windows on a 1988 dodge dakota can be found in its manual. Rv ke wiring diagram wiring diagram datasource power ke wiring diagram 1997 f150 power window wiring diagram ford window wiring wiring diagram used electrical wiring we collect a lot of pictures about power windows wiring diagram and finally we upload it on our website. And yes the window lock rocker arm is not engaged. Wiring diagram power window motor full isuzu g body relay schematic 1965 e320 hyundai azera the in kia rio circuit drivers for 2000 cavalier car controller gm 5 pin switch forte sonata my driver side can system mazda 3 and 6 2002 04 power window system wiring diagram repair guide autozone. What you will find here are components and also their connections. Wiring diagram power window iswara somurich com. Need wiring diagram for 2003 honda civic ex hatchback power windows. One wire will have power and the other will be grounded, when you press the window switch down it. The 1997 ford pickup f150 power window system composed of. Residential electric wiring diagrams are an important tool for installing and testing home electrical circuits and they will also help you understand how electrical devices are wired and how various electrical devices and controls operate. Symbols you should know wiring diagram examples the standard or fundamental elements used in a wiring diagram include power supply, ground, wire and connection, switches, output devices, logic. You can also find it at select auto part stores.
Adamec / Skandal um Jiri Adamec - News - 1. Landesliga ... - From a pet form of the personal name adam. . Martin adamec, 22, from slovakia fk pohronie, since 2020 central midfield market value: Austin adamec (born 1988), american musician. It is not in the top 1000 names. He is a director and actor, known for nováci (1995), léto s gentlemanem (2019) and sanitka (1984). Results of adamec ( 65 ). Check out best 3d models from top modeling artists in 3d industry. Adamec m (feminine form adamcová). V roku 2011 vyhral druhý ročník speváckej súťaže československo hľadá superstar. Ladislav adamec was a czechoslovak communist politician. Take a look at adamec cgtrader 3d designer profile, portfolio and 3d models available. Austin Adamec Releases Lyrics Video for Single "My Only ... from cdn.hallels.com Adamec m (feminine form adamcová). V roku 2011 vyhra...
Viper Alarm Wiring Diagram / Viper Alarm System Wiring Diagram - Complete Wiring Schemas : Doc diagram lfa engine diagram ebook schematic circuit. . The last pic shows a convenient wiring diagram i did to identify all the heavy gauge wires for the remote start module. Any user assumes the entire risk as to the accuracy and use of this information. Tech supportsee more results viper 5x06 wiring diagram responder lc model security and remote start. Wiring the door circuit up to the dome lamp is just lazy as there is no reason why they could not have wired up to. I would recommend this viper 479v replacement alarm from sonicelectronix.com any time and recommend sonicelectronix.com to all of my friends. A spreadsheet i created with info including which viper wire to connect to which tacoma wire. To have enough space for removing wires. Wiring diagram for a viper 4606 remote start with dball2 interface on 08 chevy silverado 2500 hd 6.0l how to guide with wire color and lo...
1998 Volvo V70 Wiring Diagram - Volvo V70 2001 Electric Wiring Diagram : You may find documents other than just manuals as we also make available many user guides, specifications documents, promotional details, setup documents and more. . Volvo v70 2001 service and repair manual. Volvo models are sold in versions adapted for different markets. Volvo workshop & service manuals, fault codes and wiring diagrams pdf. Free pdf download for thousands of cars and trucks. 2002 volvo v70 wiring diagrams download. Volvo truck workshop manual free download error codes of the volvo fh12 engine control units before 1998. Pull the inner door panel and unplug the window motor. Volvo v70 service and repair manuals. V70, v70r, xc70, xc90 s. Mirrors, auxiliary heater, towing hook wiring, hood operation cigarette lighter11 2v outlet 11 cl31 11cl32 standard heater std, manual climate control. 1998 Volvo ...
Komentar
Posting Komentar